- Get link
- X
- Other Apps
- Get link
- X
- Other Apps
Where The Hell Is The J403 Relay Box Located Audiworld Forums
Audi Vw Air Suspension Problems And Pump Relay
How Can I Get Acess To Replace Air Suspension Compressor
Where Is Location Of Adaptive Suspension Compressor Relay
How Can I Get Acess To Replace Air Suspension Compressor
Details About Audi Q7 4l 2006 2010 New Air Suspension Compressor Relay
Where The Hell Is The J403 Relay Box Located Audiworld Forums
Audi Q7 4l 2011 2015 New Air Suspension Compressor Relay 4h0951253a
Do You Have The Picture That Show Me The Location Of Air
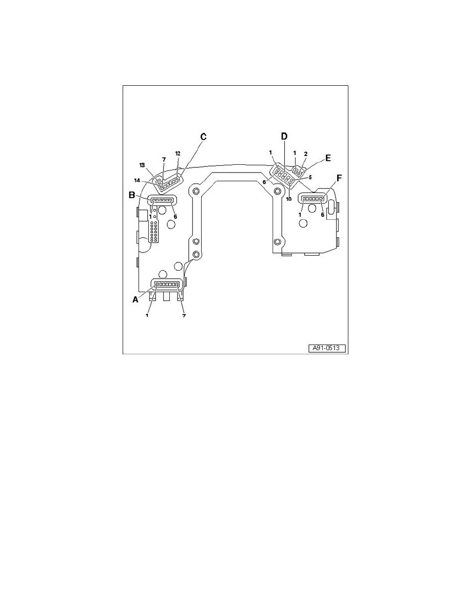
Adaptive Air Suspension Compressor And Relay J403
Where Are Electrical Fuses Located In Audi Q7
Audi Q7 4l 2005 To 2015 Fuse Box Location And Fuses List
Compressor Relay 373 Audiworld Forums
How Can I Get Acess To Replace Air Suspension Compressor
Relay For Audi Q7 4l Oem 4154033050 Wabco 4154031230 Air Suspension Compressor Oe 4h0951253
A8 Compressor Relay 373 And Fuse Audiworld Forums
Adaptive Air Suspension Compressor And Relay J403
2008 Audi A8l Air Compressor Pump Fuse And Relay Location And Replacement
2007 Audi Q7 4 2 Fsi Relay Questions With Pictures Fixya
Ac Problems And The Ac Clutch Relay Audiforums Com
Do You Have The Picture That Show Me The Location Of Air
Amazon Com Audi A8 D3 Air Suspension Compressor Relay 645
Details About For Audi Q7 07 09 Rear Active Suspension Relay 40 Amp 4 Prong Genuine 4h0951253a
Adaptive Air Suspension Compressor And Relay J403
Air Suspension Compressor Pump Relay For Audi Q7 A6 C5 C6 A8 D3 Allroad Quattro Vw Touareg Porsche Cayenne 8d0951253a
Do You Have The Picture That Show Me The Location Of Air
Audi A6 Relay Panel Location Diagram Commentary
Audi Q7 4l 2005 To 2015 Fuse Box Location And Fuses List
Adaptive Air Suspension Compressor And Relay J403
For Vw Audi Vag Multi Purpose Air Suspension Relay Number
Amazon Com Airsusfat Air Suspension Compressor Pump Relay
Do You Have The Picture That Show Me The Location Of Air
Adaptive Air Suspension Compressor And Relay J403
Audi Q7 4l Compressor Air Suspension
Audi Workshop Manuals Q7 Quattro 4lb V6 3 0l Sc Cjwb
Details About For Audi Q5 Q7 Tt A4 A6 A8 Vw Golf Jetta Suspension Compressor Relay 911 924
Bmw 5 Series F11 Touring Wagon 2010 2017 New Air Suspension Compressor Relay 61 36 8 373 700
Audi Q7 Compressor Air Suspension 4l0698007 Oem Wabco Kit
Engine Parts Relay Bomba De Gasolina Compresor
Do You Have The Picture That Show Me The Location Of Air
Audi Workshop Manuals Q7 Quattro V6 3 6l Bhk 2007
Audi Q7 4l 2005 To 2015 Fuse Box Location And Fuses List
Audi A6 Allroad C5 Filter Compressor Relay Pneumatic24 Pl
Best Relay Air Suspension Compressor Parts For Cars
2015 Audi Audi Q7 Europe Market Electrics Relay Plate Fuse
Air Suspension Compressor Pump W Relay For Audi Q7 Porsche
Audi Q7 4l Compressor Air Suspension
For Vw Audi Vag Multi Purpose Air Suspension Relay Number
Porsche Macan 2015 2017 Oem New Continental Air Suspension Compressor Relay Kit 95b698010
Audi Workshop Manuals Q7 Quattro V8 4 2l Bar 2008
Air Suspension Compressor Pump W Relay For Audi Q7 Porsche Cayenne Vw Touareg
Audi Q7 Air Suspension Calibration Adaptation
Air Suspension Compressor Pump Relay For Audi Q7 A6 C5 C6 A8
Audi A6 C6 4f Air Supply Device Compressor Air Suspension
Quattroworld Com Forums Urs4 Urs6 S2 Rs2
Wabco Oes Air Suspension Compressor 03 10 Vw 06 15 Audi Q7
Details About Audi Q7 4l 2007 2015 Oem Air Suspension Compressor Mount Relay 4l0698007c
Air Suspension Compressor Repair Kits Air Suspension
Audi Q7 A C Compressor Best A C Compressor Parts For Audi
Audi Q7 4l 2005 To 2015 Fuse Box Location And Fuses List
A8 Compressor Relay 373 And Fuse Audiworld Forums
Audi Q7 Fuel Pump Relay Location
Switch Relay Air Compressor Heavy Duty Relay
2006 Audi Q7 Replacement Air Suspension Components Carid Com
Air Compressor For Mercedesben W220 W211 W219 Oe 2113200304 Air Pump And Relay Air Suspension Compressor Buy Air Suspension Compressor Air
Ac Problems And The Ac Clutch Relay Audiforums Com
Pdf Audi A6 Fitting Locations Position Of Relays And Fuses
2005 2015 Audi Q7 Fuse Box Diagram Fuse Diagram
Audi Workshop Manuals Q7 Quattro V6 3 6l Bhk 2007
Original Audi Q7 Air Suspension Wabco Compressor 4l0698007c
2009 Audi A4 Fuse Diagram Wiring Library
Replace Relay To Save Suspension Pump Audi A8
Air Suspension Compressor Pump Relay For Audi Q7 A6 C5 C6 A8
Wabco Oes Air Suspension Compressor 03 10 Vw 06 15 Audi Q7
D3 Air Suspension Relay And Fuse A8 Parts Forum
Multifunction 12v 40a Relay 643 8k0951253
Air Suspension Compressor Zeppy Io
Audi Q7 Air Suspension Compressor Pump With Thermal Sensor
16 Best Mercedes Benz S Class 2000 2006 W220 Chassis Base
Air Suspension Compressor Pump W Relay For Audi Q7 Porsche
4 Common Audi A8 Suspension Problems And How To Fix Them
M Bellow For Sale Collectibles Anyday
Audi Q7 Air Suspension Repair Kit Compressor Valve Block Oem
Air Suspension Compressor Pump For Audi Q7 With Bracket
Audi Q7 Air Suspension Compressor
Audi A8 D3 4e Wabco Air Suspension Compressor Piston Ring Repair Fix Kit X8r45
Air Suspension Compressors Arnott
Audi A6 Allroad C5 1997 2005 Fuse Box Diagram Auto
2006 A8l D3 Front Air Suspension Failed 119k Miles Audi
Air Suspension Pumps Smartmiles
Details About Audi Q7 4l 2007 2015 Oem Rebuild Air Suspension Compressor Relay 4l0698007c
Fuse Box Diagrams Audi Q7 4l 2007 2015
Rapidparts Com 4h0951253a Bosch
Audi Q7 Front Left Suspension Air Spring Bag
audi q7 air suspension relay
audi q7 air suspension relay location
audi q7 suspension relay
audi q7 suspension relay location
- Get link
- X
- Other Apps



Comments
Post a Comment